中文
中文
/
English
首页
Home
公司简介
Nav
产品中心
Nav
应用方案
Nav
新闻中心
Nav
服务与支持
Messages
联系我们
Nav
资质·荣誉·专利
GJB质量标准无刷电机
GJB质量标准有刷电机
GJB质量标准力矩电机
GJB质量标准电机
深水电机
高温无刷电机
高温有刷电机
高温异步电机
高温中空电机
高温电机
耐辐照电机
驱动器
选配附件
应用案例
合作伙伴
世嘉动态
行业资讯
技术服务
技术优势
下载中心
产品详情
分享到:
上一个
下一个
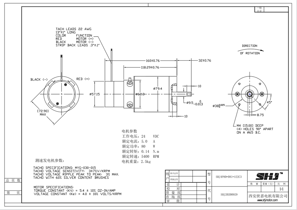
24VDC 80W 直流有刷电机(测速发电机反馈)
品牌:世嘉电机
型号:SHJ4P80-08I-122C3
额定电压:24VDC
额定功率:80W
额定电流:5.0A
额定转速:5400RPM
额定扭矩:0.14N.m
基座型号:SHJ4P80
13800000000
预约
产品详情
品质为客户创造价值!
世嘉电机致力于研发、生产、销售GJB交/直流电机、深水电机、耐辐照电机、高温电机!
公司地址:陕西省西安市经开区草滩十路999号智巢电子信息产业园6号楼 公司电话:029-86183630
世嘉电机微信公众号